产品中心

Products

真空直通球阀
真空直通球阀
真空直通球阀
真空直通球阀
真空直通球阀
真空直通球阀
真空直通球阀
真空直通球阀

真空直通球阀

概述:

真空直通球阀,专为真空环境设计,直通式流道,流体阻力小。采用精密密封结构,确保真空度稳定(可达高真空级别),不锈钢材质耐腐洁净。可手动或配驱动装置,用于截断或接通真空管路,适配半导体、真空镀膜等场景,操作可靠。


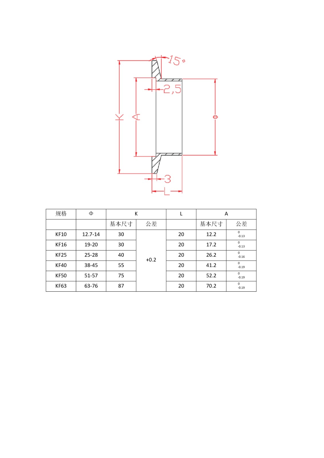
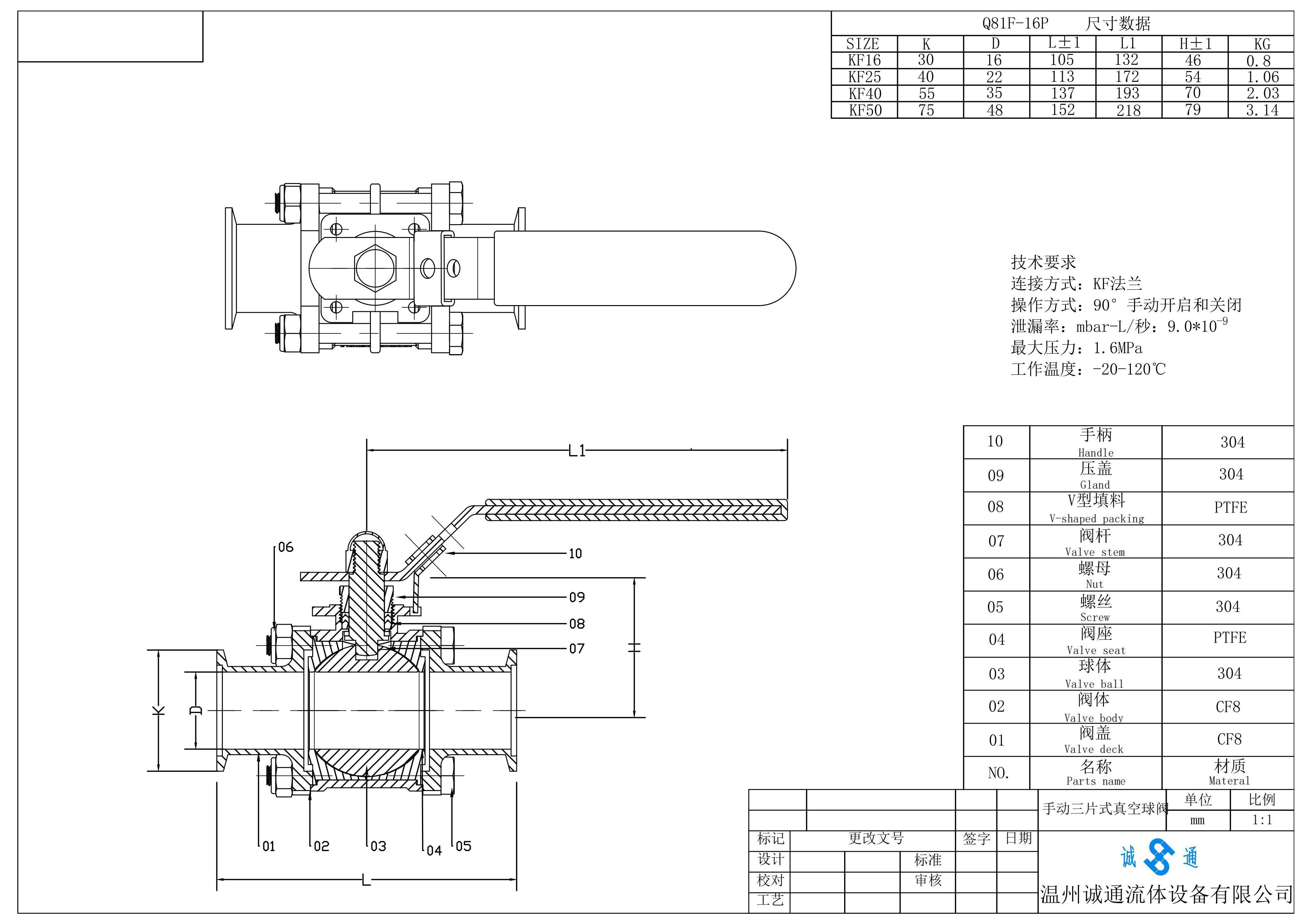
产品规格:KF16-KF63

产品材质:SS304/316L

制造标准:ISO/DIN/IDF/SMS/3A等


应用范围:产品广泛应用于半导体制造、真空镀膜、航空航天、科研实验等领域。

产品详情

普通手柄三片式真空球阀_01.jpg




相似产品
首页
产品
联系